
Группа Parker Fluid Connectors Group, выпускающая трубную арматуру, поддерживает национальные и международные мероприятия по стандартизации.
Опытные инженеры Parker в ряде стран и отделах корпорации, получая пользовательские рекомендации, сотрудничают с национальными комитетами, среди которых SAE, BS, и DIN.
В результате разработаны многие стандарты ISO на фитинги. Эти ISO являются платформой для международной торговли, взаимозаменяемости и доступности комплектующих, что необходимо всем предприятиям, работающим в мировом масштабе и использующим гидравлическую технику.
Европейский отдел трубных фитингов производит продукцию серий EO2-Plus (метрические фитинги врезного типа с эластомерным уплотнителем), EO-Plus с прогрессивным кольцом (трубные фитинги с металлическим уплотнением) и EO2-FORM (формованные трубы с мягким уплотнителем), и фитинги O-Lok® (с торцевым уплотнительным кольцом), которые составляют семейство Dry Technology.
Фитинги EO-Plus (метрические врезного типа), сварные конические штуцеры 24°, фитинги Triple-Lok® (развальцовка 37°) и трубные переходники входят в группу компонентов с металлическим уплотнением.
Кроме того, фитинги Ferulok (дюймовые трубные врезного типа), Intru-Lok (латунные без развальцовки) и фитинги JIS имеются в Отделе трубных фитингов в США.
Это разнообразие составляет самую широкую линейку трубных фитингов вотрасли. Комплектующие производятся по ISO 6149, метрическим стандартам, BSPP, BSPT, NPT, UNF, SAE с прямой резьбой и фланцевыми отверстиями.
Производственные мощности расположены в Великобритании, Германии и Польше. Некоторые детали поставляются из США или выпускаются в других странах мира.
Фитинги хранятся в Центрах обслуживания Parker и являются оптимальным выбором для изготовителей комплектного оборудования и специалистов, занимающихся техобслуживанием, ремонтом и профилактическим обслуживанием во всем мире.
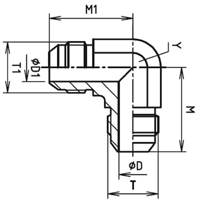
EMTX. Угловой фитинг Parker Triple-Lok® 37° SAE 070201 MS51505

F642EDMX. Ввертной фитинг Parker со стяжной гайкой (Стяжная гайка Triple-Lok® 37°. Наружная резьба BSPP. Уплотнитель ED (ISO 1179)

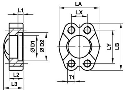
GFS-N. Фланцевые фитинги прямые SAE

FUSM. Фланцевые фитинги с метрическими резьбовыми отверстиями SAE

FUSF. Фланцевые фитинги плоские SAE
